Descrizione
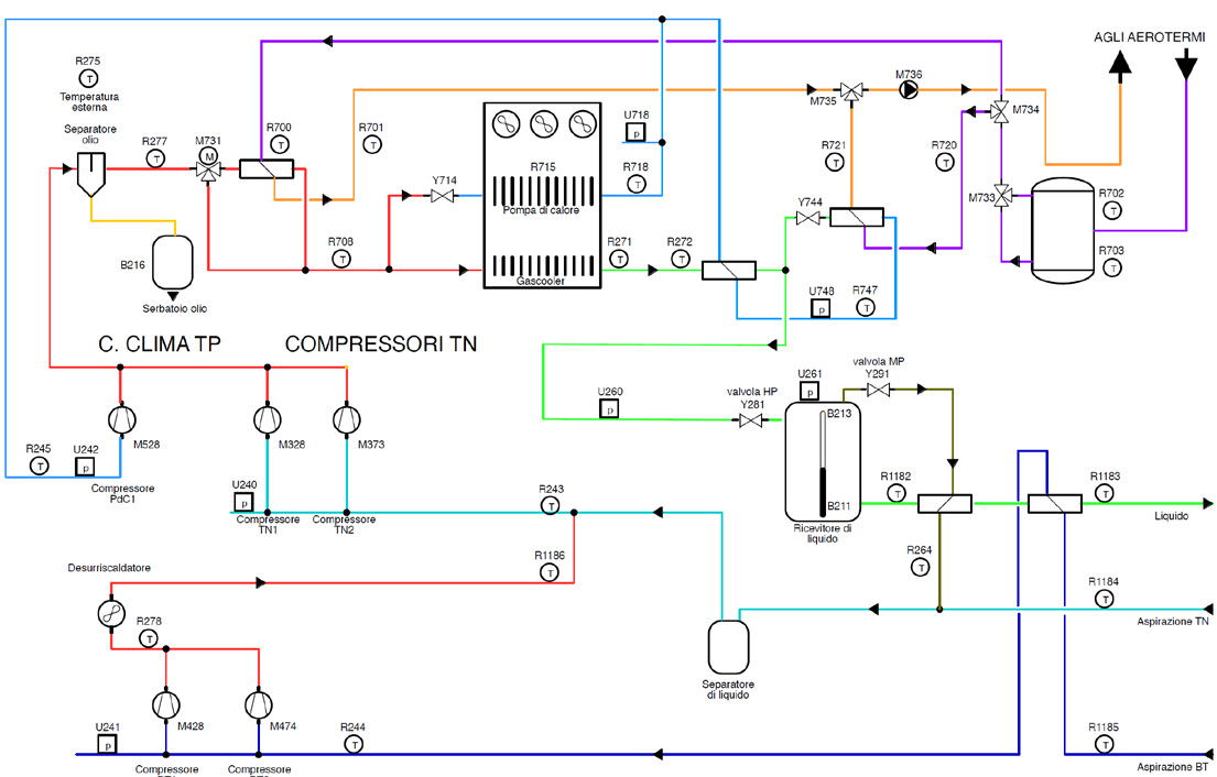
Un punto vendita Migros VOI di quartiere adotta un impianto integrato HVACR a CO2 (R744) che copre refrigerazione positiva e negativa, riscaldamento e raffrescamento. La particolarità non è solo l’uso della CO2, ma il livello di integrazione: l’elettronica della centrale non si limita a governare la refrigerazione, ma gestisce anche la distribuzione idronica e la temperatura in sala vendita e uffici. 400 m2 di superficie, una quindicina di metri lineari di vetrine TN, circa 8 m di congelatori BT e due celle per il back-store
Impianti
Categoria
Supermercati
Anno
2026








